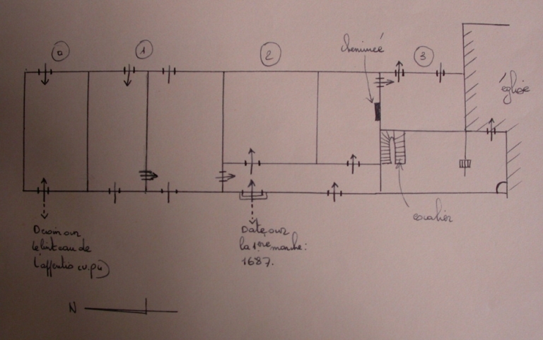
Presbytère, 17 place de l'église (Hédé fusionnée avec Bazouges-sous-Hédé pour former la commune de Hédé-Bazouges en 2009),
Plan au sol réalisé en 1975 par J. R. TrochetImmatriculation
IVR53_20053518201NUCA
Auteur de l'illustration
-
Dalibard SabrinaDalibard SabrinaCliquez pour effectuer une recherche sur cette personne.
Copyright
- (c) Inventaire général, ADAGP
Diffusion
reproduction soumise à autorisation du titulaire des droits d'exploitation
Type
phototype numérique
Besoin d'informations sur cette illustration ?
Nous contacter