Batterie d'artillerie antiaérienne lourde Rossitten (Lo 302), Le Cosquéric (Ploemeur),
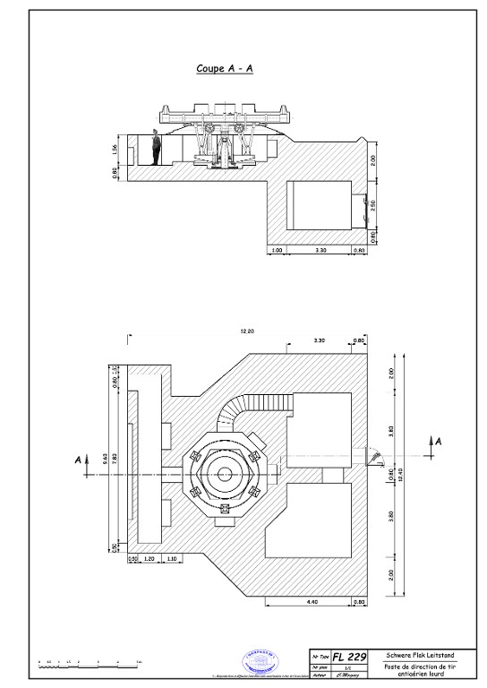
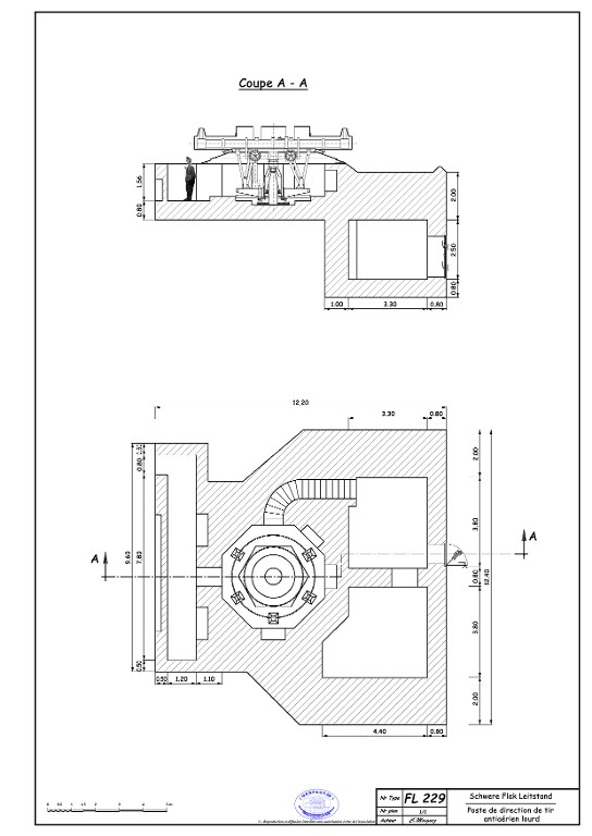
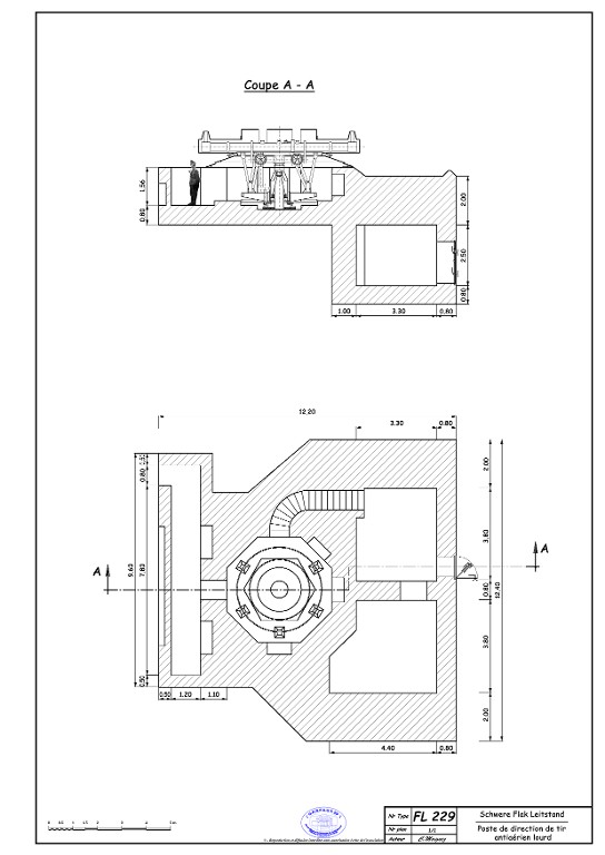
Plan et coupe d'un bunker-poste de direction de tir de type Fl 229 pour batterie antiaérienne lourde (Schwere Flak Leitstand)Immatriculation
IVR53_20265610003NUDA
Auteur de l'illustration
-
Moignez ChristianMoignez ChristianCliquez pour effectuer une recherche sur cette personne.
Copyright
- (c) Association Gerfaut 29
Diffusion
reproduction soumise à autorisation du titulaire des droits d'exploitation
Type
dessin numérique
Besoin d'informations sur cette illustration ?
Nous contacter
-
ASSOCIATION GERFAUT 29. MOIGNEZ, Christian. Collection de plans et coupes de bunkers.
Président de l'association Gerfaut 29, créé le 5 avril 2013.